阿自倍尔荣获2025年度日本测量自动控制学会“技术奖”和“新产品开发奖”
2025年10月27日
阿自倍尔株式会社
阿自倍尔株式会社(总部:东京都千代田区 社长:山本清博)荣获日本公益社团法人测量自动控制学会(SICE)作为2025年度学会奖颁发的1项“技术奖”和2项“新产品开发奖”,特此通知。
SICE是测量、控制和系统领域的核心学会,以研究为代表,在与产官学的合作及信息发布方面发挥着作用。技术奖授予“采取新的方式或发明新的设备、产品等,并取得了显著效果的技术功绩”,新产品开发奖授予“为工业领域发展做出贡献的新产品的开发”。
技术奖
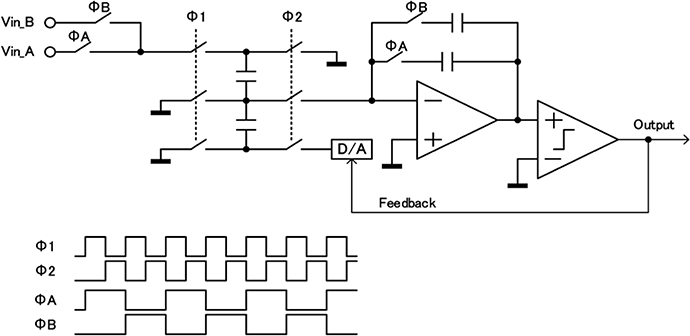
“No-Latency Interleaved Delta-Sigma ADC for Multiple-Sensor Interfacing Circuits”
ADC(AD转换器:Analog-to-Digital Converter)是一种将声音和温度等模拟信号转换为数字信号的设备。通过这种转换,电脑和智能手机等电子设备就能够将模拟信息作为数字数据进行处理。
使用传统的AD转换器,当从多个传感器采集信号时,输入路径(通道)之间会出现延时(等待时间),校正运算时存在数据相关性被破坏的问题。另外,由于采用多部件构成,会导致电力消耗和成本的增加,以及器件间的误差等,从而难以实现高精度测量。
该技术通过独有的时间分割*1采样技术大幅缩短了通道间的等待时间。通过同时实现传感器数据的相关性保持和降低通道间误差,可以实现低电力消耗且高精度测量。
由此,实现了同时满足测量仪器所要求的“高精度、低电力消耗、多通道同步测量”的划时代创新。今后有望在IoT设备和下一代测量系统等广泛领域中推广应用。其先进性和社会意义获得了高度评价,荣获了技术奖。
参考网页(仅限英语)
面向多传感器优化的交织型ΔΣA/D调制电路的开发:2025 |阿自倍尔株式会社
新产品开发奖
“蓝宝石隔膜真空计 型号V8”
蓝宝石隔膜真空计
半导体制造工艺日新月异,对于保持真空环境不可或缺的真空计也要求提高耐沉积(deposition)*2性、适应高温环境,以及具备更高速的应答性。
为了满足这些需求,开发了大幅升级传统的蓝宝石真空计(型号SPG)的新型隔膜真空计型号“V8”。
通过充分运用MEMS*3加工技术的独有结构,大幅抑制了工艺副产物在隔膜上的沉积导致的特性恶化,实现了稳定的高精度测量。此外,通过采用测量头和控制单元分离的结构(照片右侧的分离型),实现了对高达250°C高温气体的测量。并且,通过测量电路技术的革新,实现了1ms的高速应答,并能支持下一代半导体工艺(如ALD*4和ALE*5等)。
该产品于2023年度荣获优良设计大奖和日本真空工业会创新奖。也得到了世界知名半导体制造各家设备制造商的高度评价:“能够不受沉积影响稳定测量”、“即使是高温气体也能进行高可靠性测量”、“还能满足新工艺对高速测量的要求”。
产品网页
蓝宝石隔膜真空计 型号 V8C/V8S|压力传感器/真空计|阿自倍尔株式会社
新产品开发奖
“支持自来水标准平台 运行监控应用 Harmonas-DEO™”
该产品是一款支持日本政府在自来水事业中,作为信息系统标准化和数据联动的通用基础而推进的自来水标准平台的云端应用。
与现场设备的通信采用了在测量控制市场中广泛普及的OPC Unified Architecture(OPC UA*6)。该应用内部配备用于监控操作的数据库(OPDB),即使通过云端连接,也能实现与传统本地部署型系统同等的监控操作性能。此外,通过将OPDB与自来水标准平台内部的通用数据库进行联动,实现了与其他公司提供的各类应用之间的信息有效利用。
该产品已作为自来水设施的场外监控系统被引入,并在实际运用中也获得了高度评价。
本公司将在azbil集团“以人为中心的自动化”理念指引下,以实现对可持续发展社会“直接”做出贡献和可持续发展为目标,通过开发能够实现客户的“安心”、“舒适”和“满足”的产品和新技术,为解决社会课题作贡献。
*1 时间分割:将某个特定的时间进行分割,在每个部分执行不同的处理。
*2 deposition:deposition的缩写,意思是沉积。在半导体制造工艺中,指的是生成薄膜的成膜工艺。
*3 MEMS:Micro Electro Mechanical Systems的缩写。将微小的电气元件和机械元件集成在一块芯片上,以传感器为代表的各种器件/系统。
*4 ALD:原子层沉积法(ALD:Atomic Layer Deposition)。在原子层级控制膜厚,形成平坦且致密薄膜的方法。
*5 ALE:原子层蚀刻(ALE:Atomic Layer Etching)。在半导体制造中,以原子单层为单位,非常精细地去除晶圆表面薄膜的先进干式蚀刻技术。
*6 OPC UA:Open Platform Communications Unified Architecture的缩写。继承了传统标准中的互操作性,通过基于面向服务架构(SOA)可实现不同OS和多供应商产品之间的数据交换等,在提升互操作等级的同时,也提高了可靠性和安全性等方面,是一项用于数据交换的标准。
* Harmonas-DEO是阿自倍尔株式会社的商标。
*所刊登信息为发布日当天的信息。
