アズビル、2025年度 計測自動制御学会で「技術賞」および「新製品開発賞」を受賞
2025年10月14日
アズビル株式会社
アズビル株式会社(本社:東京都千代田区 社長:山本清博)は、公益社団法人 計測自動制御学会(SICE)の2025年度 学会賞として「技術賞」1件ならびに「新製品開発賞」2件を受賞しましたのでお知らせします。
SICEは計測・制御・システムの分野における研究をはじめ、産官学との連携、情報発信の役割を担う中核的な学会です。技術賞は「新しい方式、デバイス、製品等を創案または実施し、顕著な効果をもたらした技術的功績」に対して、新製品開発賞は「産業の分野の発展に貢献した新製品の創案」に対して授与されます。
技術賞
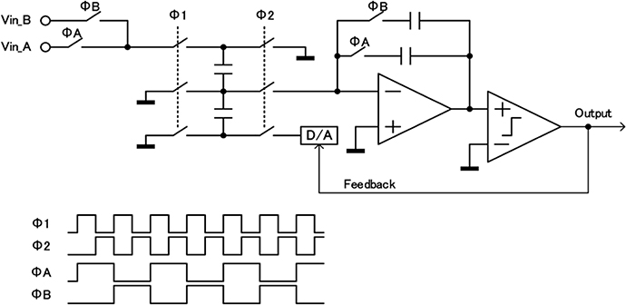
「No-Latency Interleaved Delta-Sigma ADC for Multiple-Sensor Interfacing Circuits」
ADC(AD変換器:Analog-to-Digital Converter)とは、音や温度などのアナログ信号をデジタル信号に変換する装置です。この変換により、パソコンやスマートフォンなどの電子機器がアナログ情報をデジタルデータとして処理できるようになります。
従来のAD変換器では、複数のセンサから信号を集める際、入力経路(チャネル)間の時間遅延(レイテンシ)が発生し、補正演算時のデータ相関性が損なわれるという課題がありました。また、複数部品による構成では消費電力やコストの増加、デバイス間誤差などにより、高精度計測が困難でした。
本技術では、独自の時分割*1サンプリング技術によりチャネル間レイテンシを大幅に短縮。センサデータの相関性維持とチャネル間誤差低減を同時に実現することで、低消費電力かつ高精度計測を可能にします。
これらにより、計測器に求められる「高精度・低消費電力・多チャンネル同時計測」を同時に満たす画期的なイノベーションが実現しました。今後はIoT機器や次世代の計測システムなど、幅広い分野での応用展開が期待されます。その先進性と社会的意義が高く評価され技術賞を受賞しました。
参考サイト
マルチセンサに最適化したインターリーブ型ΔΣA/D変換回路の開発:2025 | アズビル株式会社
新製品開発賞
「サファイア隔膜真空計 形V8」
サファイア隔膜真空計
半導体製造プロセスは日々進化しており、真空環境を保つために不可欠な真空計にも耐デポ
MEMS*3加工技術を駆使した独自構造により、プロセス副生成物のダイアフラムへの堆積(デポ)による特性悪化を大幅に抑制し、安定した高精度計測を実現。さらに、ゲージヘッドとコントロールユニットを分離した構造(写真右の分離型)により、250℃までの高温ガスの計測が可能となりました。加えて、計測回路技術の革新により、1msの高速応答を実現し、次世代半導体プロセス(ALD*4やALE*5など)にも対応しています。
本製品は、2023年度にはグッドデザイン賞や日本真空工業会イノベーション賞を受賞。世界有数の半導体製造装置メーカー各社からも「デポの影響を受けず安定した測定が可能」「高温ガスでも信頼性の高い計測が可能」「新しいプロセスの高速計測要求にも応える」と高い評価を得ています。
製品サイト
サファイア隔膜真空計 形 V8C/V8S | 圧力センサ/真空計 | アズビル株式会社
新製品開発賞
「水道標準プラットフォーム対応 運転監視アプリケーション Harmonas-DEO™」
本製品は、日本政府が水道事業における情報システムの標準化とデータ連携の共通基盤として推進している水道標準プラットフォームに対応したクラウドアプリケーションです。
現場機器との通信には計測制御市場で広く普及しているOPC Unified Architecture (OPC UA*6)を採用しました。本アプリケーション内部には監視操作用データベース(OPDB)を備えており、クラウド経由であっても従来のオンプレミス型システムと同等の監視操作性を実現しています。また、OPDBと水道標準プラットフォーム内部の共通データベースを連携させることで、他社が提供する様々なアプリケーションとの情報利活用を可能にしました。
本製品は、水道施設の場外監視システムとして導入され、実運用においても高い評価をいただいています。
当社はazbilグループの理念である「人を中心としたオートメーション」の下、持続可能な社会へ「直列」に繋がる貢献と持続的な成長を目指し、お客さまの「安心、快適、達成感」を実現する製品や新技術の開発により社会課題解決に貢献してまいります。
*1 時分割:ある特定の時間を分割して、各部分に異なる処理を行うこと。
*2 デポ:デポジションの略語で堆積の意味がある。半導体製造工程では薄膜を生成する成膜工程を指す。
*3 MEMS:Micro Electro Mechanical Systemsの略。微小な電気要素と機械要素を一つのチップに組み込んだ、センサをはじめとする各種デバイス/システム。
*4 ALD:原子層堆積法(ALD:Atomic Layer Deposition)。原子層レベルで膜厚を制御して平坦で緻密な薄膜を形成する手法。
*5 ALE:原子層エッチング(ALE:Atomic Layer Etching)。半導体製造において、ウェハ表面の薄膜を原子1層単位で非常に精密に除去する最先端のドライエッチング技術。
*6 OPC UA:Open Platform Communications Unified Architectureの略。従来の規格にある相互運用性を引き継ぎながら、サービス指向アーキテクチャ(SOA)をベースに異なるOSやマルチベンダー製品間でのデータ交換を可能にするなど、相互運用レベルを高めると同時に信頼性、セキュリティ面なども向上させたデータ交換のための標準規格。
※Harmonas-DEOはアズビル株式会社の商標です。
*掲載されている情報は、発表日現在のものです。
お電話でのお問い合わせ
アズビル株式会社 コミュニケーション部広報グループ
TEL:03-6810-1006
